深圳市惠新晨电子有限公司

联系电话

0769-22369816

惠海H6266A 150V耐压降压恒压芯片 48V60V72V100V120V降压12V5V3.3V仪表盘供电IC 动态响应优异


惠海半导体
,赞4

海报6-仪表 4.29.jpg

每次骑行电动车时,你是否曾留意过仪表盘?那些精准跳动的速度数值、清晰变化的电量格、实时更新的里程数,这些流畅又亮眼的显示效果背后,藏着一位 “幕后功臣”——仪表盘供电IC。惠海半导体降压恒压芯片H6266A正是这样一款仪表盘供电芯片。今天,我们就一起揭开它的面纱,看看它是如何让电动车仪表盘的每一组数据都清晰又吸睛的。




PART 01


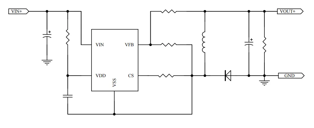
H6266A芯片介绍




H6266A是一款兼容宽压输入范围的开关降压型 DC-DC 控制器,支持输入电压高达130V。芯片采用固定频率的 PWM 峰值电流模式控制方式,具有低待机功耗、超快响应速度及优异线性电压和负载调整率。设定了典型频率 130KHz,轻载时会自动降低开关频率以获得高的转换效率。

H620X.pngH6266B 3D图.png


H6266A芯片优势:
150V高耐压,0.9A输出
支持输出电压最低可调至3.3V,电压精度高
转换效率最高可达95%,外围简洁
线性和负载调整率良好,动态响应优异
软启动(SS)、过流保护(OCP)、过热保护(OTP)、短路保护(SCP)
可满足48V 60V 72V 80V转3.3V 5V 12V的仪表盘供电的应用





PART 02


H6266A核心优势解读


H6266A外围元器件简单,系统应用灵活,转换效率高,系统体积小,内置过温保护、过流保护、短路保护等全套可靠性保护电路,动态响应快。


1.优异的动态响应:

H6266A采用峰值电流模式控制方式,环路稳定,动态响应优异,能够迅速适应变化的工作负载,确保高效稳定的性能输出。

当Vin=48V,Vout=5V,Vout=12V 10%-90%负载变化,动态响应波形如下:

图片
图片
图片



动态响应测试



CH1:输出电压
CH3:输出电流


2. 纹波小:

Vin=48V时,H6266A纹波小,电源输出会更加平稳,减少了后端设备故障性和提高了产品性能‌。
图片
·
图片
·
图片

3. 高效转换:
H6266A芯片采用先进的电源管理技术,能够实现高效的电压转换,减少能量损耗,提高电源利用效率。

4. 安全可靠:
H6266A芯片内置多重保护机制,包括过压、过流、过热等保护功能,确保在使用过程中的安全性

5. 方案优势:
广泛适用性:本方案适用于各类需要两轮电车仪表盘的车辆,具有广泛的应用前景。
高性价比:采用成熟的H6266A芯片和优化的电路设计,实现了高性价比的解决方案。
易于维护:方案结构简单,维护方便,降低了使用成本。方案结构简单,维护方便,降低了使用成本。





PART 03


H6266A芯片典型应用场景



H6266A降压恒压芯片广泛应用于需要高质量、高可靠性电源的电子领域,是车载定位器 、车载防盗器、行车记录仪、电子门锁等应用的理想选择。

图片




PART 04


同系列选型表



选型表.jpg


友情链接:惠海 48V 60V 80V 降 3.3V 5V 9V 12V电动车/摩托车整车芯片解决方案(上)

友情链接:惠海 48V 60V 80V 降 3.3V 5V 9V 12V电动车/摩托车整车芯片解决方案(下)


·
图片
·
图片


申请免费样品及相关规格书等资料可添加我司市场客服,惠海半导体竭诚为您服务!


固话:0769-22369816
地址:深圳市宝安区新安街道翻身社区49区河东工业区2栋锦驰商务大厦A栋507
联系我们                                                  解决方案                     客服企微               惠海(总部)官微       惠海(总部)抖音                                                                         
扫码关注惠海(总部)官微
扫码联系惠海(总部)客服
扫码关注惠海(总部)官抖