除上篇《惠海 48V 60V 80V 降 3.3V 5V 9V 12V电动车/摩托车整车芯片解决方案(上)》推文提及的产品外,近年来,惠海半导体在GPS定位器、手机快充、电动车控制器、防盗器等领域也在不断扩充产品,持续提高对于电动自行车的整体芯片解决方案覆盖率。
电动两轮车系统框图:


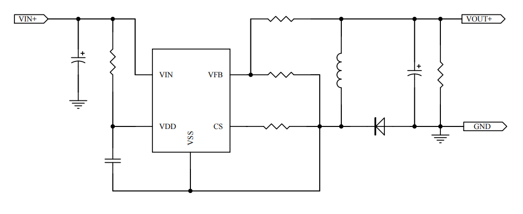
H6203G GPS定位器方案

H6203G GPS定位器供电方案
H6203G 是一款兼容宽压输入范围的开关降压型 DC-DC 控制器,支持输入电压高达120V。芯片采用固定频率的 PWM 峰值电流模式控制方式,具有低待机功耗、超快响应速度及优异线性电压和负载调整率。设定了典型频率 130KHz,轻载时会自动降低开关频率以获得高的转换效率。


H6203G芯片优势:
★内置150V高压MOS管
★可支持48V 60V 80V 100V 120V降压3.3V 5V 12V的应用
★典型的1.5A持续电流,4A峰值瞬间电流
★转换效率可达95%
★待机功耗低,电压精度高,纹波小
★输出线损电压补偿,外围电路简洁
★带软启动功能(SS),过流保护功能(OCP),过热保护功能(OTP),带输出短路保护功能(SCP)等功能
★动态响应优异,可扛打火和浪涌冲击
其他应用:
恒压电源、MCU模块供电、车载定位器 、车载防盗器、行车记录仪、电子门锁等。
友情链接:H6203G/H6266B 150V降压恒压芯片48V60V80V100V120V降12V5V3.3V高性能低功耗GPS供电芯片
H6261S 电动车控制器方案

H6261S 是一款兼容宽压输入范围的开关降压型 DC-DC 控制器,支持输入电压高达130V。芯片采用固定频率的 PWM 峰值电流模式控制方式,具有低待机功耗、超快响应速度及优异线性电压和负载调整率。设定了典型频率 130KHz,轻载时会自动降低开关频率以获得高的转换效率。


H6261S芯片优势:
★宽压12V-130V输入范围
★支持输出电压最低可调至3.3V
★支持输出6.5A持续电流
★转换效率最高可达95%
★超低的待机功耗
★输出线损电压补偿
★输出电压精度±3.5%
★带软启动功能(SS)、过流保护功能(OCP)、过热保护功能(OTP)、输出短路保护功能(SCP)
其他应用:
汽车充电器、电池充电器、恒压电源、GPS定位器,BMS、电动自行车,扭扭车,电动车手机充电、MCU模块供电、电动汽车变流器、车载仪表等。
|
|